기술데이터

  • 기술데이터
  • 기술데이터
스윙베어링 기본품 탭 가공 시 확인사항을 알려드립니다

관리자 │ 2025-06-11

스윙베어링 탭가공 주의사항.jpg

HIT

621

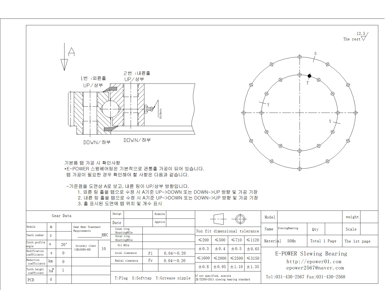
기본품 탭 가공 시 확인사항


*E-POWER 스윙베어링은 기본적으로 관통홀 가공이 되어 있습니다.

탭 가공이 필요한 경우 확인해야 할 사항은 다음과 같습니다.


-기준점을 도면상 A로 보고, 내륜 링이 UP/상부 방향입니다.

1. 외륜 링 홀을 탭으로 수정 시 A기준 UP->DOWN 또는 DOWN->UP 방향 및 가공 기장

2. 내륜 링 홀을 탭으로 수정 시 A기준 UP->DOWN 또는 DOWN->UP 방향 및 가공 기장

3. 홀 표시된 도면에 탭 위치 및 개수 표시



확인 후 전달해주시면 빠른 대응이 가능합니다!!


홀 가공만 있는 제품을 어떻게 사용할 지 고민하지 마시고 바로 연락주세요~


T. 031-430-2567

F. 031-430-2568

epower2567@naver.com






작성자
비밀번호
내용
이전글 믿고 맡길 수 있는 스윙베어링 생산기지, (주)이화 제조 공장...
다음글 스윙드라이브 서보모터 부착 관련 안내사항입니다